тел.: (044) 351-13-41  (044) 351-13-40  (067) 407-16-39  (067) 242-85-12

на главную
Инструмент диагностика оборудование акции новости спец amtool контакты
Оборудование  /   Домкраты, пресс
  • Оборудование


Пресс пневмогидравлический, 20 т.

цена (с НДС):
1433.00
FP20

Пресс пневмогидравлический, 20 т.

Вот уже более 67 лет Compac производит высококачественные гидравлические изделия. Гланой целью опытного инженерного персонала Compac является обеспечение отличного качества с упором на качество производимой продукции.

3 года заводской гарантии
Compac установил стандарт в отрасли, став первым производителем, предлагающим полную 3-летнюю гарантию. Ни один другой производитель не дает более длительную гарантию. Причиной, по которой надежность Compac стала стандартом в отрасли, является уникальная комбинация отличных исходных материалов, ориентированного на качество, персонала, уникальной японской системы управления качеством.

 Гидравлические прессы "Compac" это высокая надежность в сочитании с удобством и безопасностью работы.

Благодаря пневматическому приводу, точность позиционирования деталей поражает, такой точности нет ни у кого:

Compac amtool eggs 350

ОПИСАНИЕ:

  • Свободные руки оператора, благодаря ножному управлению,
  • Разблокировка системы с помощью ножной педали,
  • Возможность перемещения штока цилиндра,
  • Пневматический привод для подвода и отвода штока цилиндра,
  • Прочное покрытие штока цилиндра из хрома,
  • Сверхдлинный ход штока цилиндра- 240 мм,
  • Легко читаемый манометр давления,
  • Две V-образные подставки.

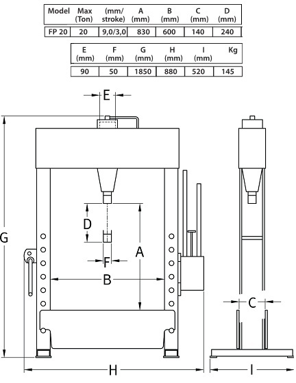
Технические характеристики и размеры:

Compac amtool FP20

Опции (поставляются дополнительно, установка на заводе):

Лебедка для подъема или опускания стола 52010:

FP20 lebedka

Видео: Пресс FP20

COMPAC, Дания.

ВЫБРАНО ПОЗИЦИЙ: 0 просмотреть
amtool © 2006
все права защищены.
АМТУЛ - Киев ул. Пшеничная 2-В
(044)351-1341, (067)407-1639
(044)351-1340, (067)242-8512
Создание сайта —
ABC.NET.UA